製品概要
isoPV1685DPは、ITシステムとして設計されたAC1000V及びDC1500Vまでの大規模太陽光発電システムの絶縁監視に使用します。低速電圧変動(MPPトラッキング)向けに特別に開発された測定方式による干渉抑制方式で、対地間システム漏れ容量が非常に高い大型太陽光発電パネルを備えたシステムでも、絶縁抵抗を監視できます。システム固有の高い漏れ容量への適応も、選択したプロファイル内で自動的に行います。
この装置は、絶縁不良箇所の特定に必要な位置特定電流パルスを生成します。これが固定設置型またはポータブルの絶縁不良探知機を用いた絶縁不良箇所の特定を可能にします。
主な機能と仕様
- 大規模PVシステムの絶縁監視
- システムの高リーク容量への自動調整
- AMPPLUSと他のプロファイル固有の測定方法との組み合わせ
- 事前警告と警報用の個別に調整可能なアラームリレーRan1(アラーム1)とRan2(アラーム2)
- 接続監視
- 故障発生時に自動警報メッセージを表示するデバイス自己診断テスト
- リアルタイムクロック(30日間バッファ)による履歴メモリで、日付と時刻を含む1023件の警報メッセージを保存
- 自由にプログラム可能なデジタル入出力
- 絶縁故障1、絶縁故障2、デバイスエラー用の個別のリレーディスプレイ
- 高解像度グラフィックLCディスプレイによる優れた視認性とデバイスステータスの記録
- 絶縁抵抗の経時変化のグラフ表示(isoGraph)
供給電圧
DC18∼30V
監視対象のシステム
- 電圧:AC0~1000V、DC0~1500V
- 周波数:DC, 50/60Hz(±1Hz)
- 許容システム漏れキャパシタンス:0~4000µF
インターフェース
- 他のBenderデバイスとのデータ交換用RS-485インターフェース
- インターネット経由の特定パラメータのリモート設定(COMTRAXX® ゲートウェイ)
- インターネット経由のBenderサービスによるリモート診断
- RS-485インターフェース経由のBMSバス
絶縁不良監視
- 絶縁不良箇所を特定するための最大50mAの電流インジェクターを内蔵
- EDSシステムによって選択された絶縁不良の表示
- EDSシステムのパラメータ設定
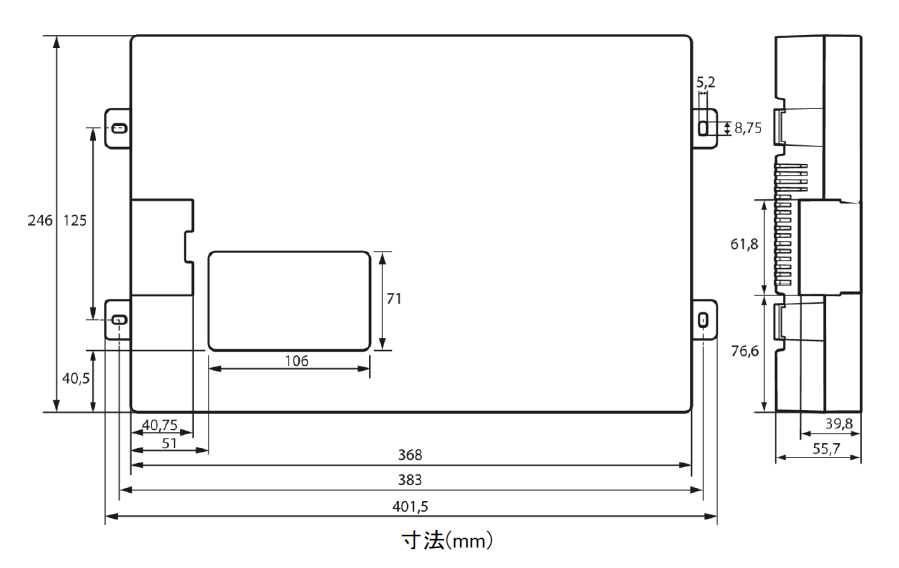
筐体寸法
